REXROTH系列远程恒压变量柱塞泵
A10VSO71DRG/31R-PPA12N00A10VSO71DRG/31R-PPA12N00型号说明:
A10VSO为恒压
变量柱塞泵的型号;
71代表排量为71ml/r;
DRG代表控制方式为远程恒压控制;
31代表系列结构;
R 为顺时针转向(正转);
P(第一个P)代表轴伸形式为平键轴;
P(第二个P)代表产品密封材料丁青橡胶;
12 代表后盖形式;
N00 代表本产品无通轴选项;
恒压变量柱塞A10VSO71DRG/31R-PPA12N00相关型号规格如下
A10VSO71DRG/31R-PPA12NOO
A10VSO71DRG/31R-PSC12N00
A10VSO71DRG/31R-VSC12N00
A10VSO71DRG/31R-PSA12N00
A10VSO71DRG/31R-VSA12N00
A10VSO71DRG/31R-PSC12K07
A10VSO71DRG/31R-VSC12K07
A10VSO71DRG/31R-VSA12K01
A10VSO71DR/31R-PPA12N00
L10VSO71DRG/31R-PKC62N00
L10VSO71DRG/31R-PKC12N00
该A10VSO71DRG柱塞泵常用于各类液压机械、工程机械、矿山机械、冶金机械、煤炭机械、水刀拼花机械,作为液压系统的油泵,
即动力元件使用。该泵由于工作压力高,属于高压泵类型。在水刀液压机械或者行走机械使用中,常采用通轴泵(即串联一个副泵--
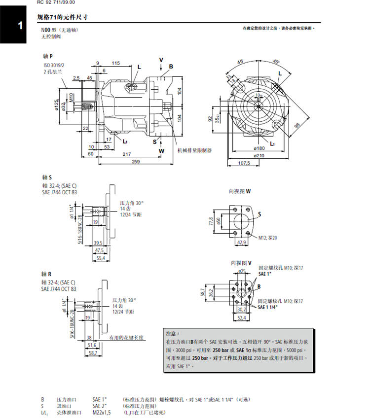
齿轮泵作为快慢档切换或者油缸提升用的动力)。该泵采用远程恒压控制,泵的安装方式,进出油口安装尺寸可支持SAE标准、DIN
标准、GB标准。





更多关于产品型号、产品性能、产品用途、产品安装方式、结构尺寸等请联系我公司销售人员。